Notices
Stock JK Tech Bulletin board forum regarding issues with OE (original equipment) components of the Jeep JK Wrangler (Rubicon, Sahara, Unlimited and X) such as factory suspension parts, engine, transmission, body parts, interior fixtures and the on-board computer.

Wrangler JK Ground Locations

Thread Tools
 
Old Jul 12, 2025 | 07:31 AM
  #21  
AZJeeper's Avatar
Super Moderator
Veteran: Air Force
15 Year Member
Liked
Community Favorite
 
Joined: Sep 2007
Posts: 1,746
Likes: 87
From: Arizona
Default

Originally Posted by Jeepin7
The ground will be from the negative battery terminal to a bolt of the bracket that supports the alternator. I will use a standard 4 gauge battery cable. Would this be adequate to avoid any overload?
Wiring the negative battery to the alternator might help with keeping the battery charged, but I'm unclear what problem you are dealing with.

The vehicle systems all depend on a solid ground to the chassis. To test if you have a ground issue, put a voltmeter from the negative battery terminal to a good, clean chassis ground (e.g. no corrosion, no paint). Have someone start the Jeep. You should read less than 0.2 VDC. Zero VDC indicates a solid ground. If you read anything more than 0.2 VDC, you have a grounding issue. G101 is the main chassis ground to the battery. It is connected to the engine block. That's where I would look first.

Edit: I probably should have added that an ohmmeter might indicate zero ohms between the negative terminal and ground, but that's at an extremely low current. Using the starter as a draw will reveal any "resistance under load" issues, such as those caused by a bit of corrosion.

Last edited by AZJeeper; Jul 12, 2025 at 12:34 PM.
Reply
Old Jul 20, 2025 | 03:22 PM
  #22  
Jeepin7's Avatar
JK Newbie
 
Joined: Jul 2025
Posts: 4
Likes: 0
Default

The diagram shows G101 attaching to the block. Where does it go from there? TYVM
Reply
Old Jul 21, 2025 | 08:07 AM
  #23  
AZJeeper's Avatar
Super Moderator
Veteran: Air Force
15 Year Member
Liked
Community Favorite
 
Joined: Sep 2007
Posts: 1,746
Likes: 87
From: Arizona
Default

Originally Posted by Jeepin7
The diagram shows G101 attaching to the block. Where does it go from there? TYVM
The cable goes to the negative battery terminal. The block itself becomes the "wire" to everything else attached to the block. The alternator, for example, has no ground wire. It is grounded directly through the block by its mounts, then to the battery through G101.
Reply
Old Oct 15, 2025 | 09:07 PM
  #24  
Amanley21's Avatar
JK Newbie
 
Joined: Oct 2025
Posts: 1
Likes: 0
From: KANSAS CITY
Default Fan Wire!

Originally Posted by schles
I could use some help from the brain trust. New Member. 2014 JK Wrangler Sport, Manual Transmission, 123k miles. Short story (if you want long story see below) after replacing head gaskets, oil cooler, heater core, new spark plugs, new PCV, jeep won't start. Starter sounded like it was freewheeling, replaced starter... still won't start. After I got it all back together on first start attempt engine coughed for a second or two and now nothing since. Tried jumping battery...no difference. Looked over fuses and relays in TIPM...doesn't look like anything is blown. I can rotate harmonic balancer by hand with socket so it doesn't feel like engine seized. Engine was running before I took everything apart. Engine was apart in garage for 4 months (life and work got in the way of maintenance). When I got everything back together there is one ground coming off negative battery terminal wire bundle that I could not find original location for. See picture below. I've tried grounding to firewall and engine block but neither makes a difference. Tried hours of searching for OE ground locations found this thread https://www.jk-forum.com/forums/stoc...cations-355618 and I think it's either G101 or G104.

Long story, loaned jeep to 17 year old son for daily driver. Jeep had small oil leak from oil cooler, no big deal check oil once a week add half quart every month or so got new cooler waited on good chance to install. Showed son how to check oil, how to fill, how to change oil basic car maintenance stuff that anyone should know. One day son called from down the road that jeep was "overheating and leaking brown fluid from under engine". I told son to shut down and wait for me. When we got jeep towed back to house looked like chocolate milkshake leaking from engine. Turns out son put 3 more quarts of oil in without even checking dipstick. So I slapped my forehead and started my teardown / rebuild project. Drained oil and thankfully it was clean (no water coolant in oil). However there was aerated / foamed oil mixed with coolant in EVERY part of the coolant system, radiator, heater core, engine block, oil cooler, etc. I can post pictures if anyone is interested, it was ugly. Don't let your teenagers over service oil in your car. Head gaskets were intact so my theory is that the extra oil got churned up by crankshaft and over pressurized oil system, blew past already leaking oil cooler and forced it's way in to coolant system / block / etc.
After many of the same repairs myself... I have not double checked yet as this has been an ongoing problem for me for over a year now... since I got the dual battery system put in really, but I bet if you open the casing on the wire, the rest of the wire is red! It's to the radiator fan and if I am corrrect, it will go to the positive side of the battery. The fan has two relays as well, a high and a low, hence the two wires with the third being the ground. I'll circle back and do realize this was some time ago, but I would have appreciated coming across this at some point in the last twelve plus months, so maybe it can help someone else down the road!
Thanks for posting!
BAM-OOOOO! Holy smokes, it's almost 1AM and I am headed to rewire the Jeep - Pull that wire loom back and look @ what color it is... IT'S RED! BC, it's a hot for the fan and has a fused linkage coming off the fan, which is an 8awg, and once it transitions to a standard 12awg, they did it in black for some brilliant reason! If you have to alter any wire, just make sure your fused linkage is long enough and then add standard accordingly, as the vehicle will look for a specific current running through there. This is easy to do when doing the dual battery bc in my case, it wouldn't reach and hours in between had gone by and I of course failed to take any pictures prior to.
Hope this can help someone down the road!

Last edited by Amanley21; Oct 15, 2025 at 09:41 PM. Reason: SOLUTION!!!
Reply
Old Oct 18, 2025 | 05:29 PM
  #25  
Bird76Mojo's Avatar
JK Newbie
 
Joined: Oct 2025
Posts: 9
Likes: 0
From: Toledo, IL
Default

Excellent write-up here. I'll be going over all of my grounds next spring just to get ahead of any problems. Probably Fluid-Film over them afterwards too.


GB
Reply
Old Nov 15, 2025 | 01:21 PM
  #26  
dlan494's Avatar
JK Newbie
 
Joined: Nov 2025
Posts: 1
Likes: 0
Default Callin you back in!

Originally Posted by availtech
Hey, All

I have the MOPAR service manual for the JK and found it's missing some information, namely the locations of some of the engine bay grounding points. I thought I'd post this with all the locations identified for easy reference:


G100


G101 and G104 - These can be found under the heat shield near the catalytic converter on the right side (passenger for US folks) of the motor







G102 - This one is missing from the service manual. It's located just to the left of the right side (passenger) headlamp assembly, near the power steering reservoir:



G103 and G105 - Right (passenger) side of the engine bay




Hope this helps!
Sorry to call you back in but I appreciate your knowledge drop.
I’ve been having issues finding information on grounds connected to the throttle body or acceleration pedal. Can anyone point me in the right direction?
Reply
Old Dec 22, 2025 | 05:26 AM
  #27  
moosejk35's Avatar
JK Newbie
 
Joined: Dec 2025
Posts: 6
Likes: 0
Default

Is the G104 routed to the Block? I know it says under the heat shield. But I could not see anything under the shield.
Reply
Old Dec 27, 2025 | 05:41 PM
  #28  
TRexLifter's Avatar
JK Newbie
 
Joined: Dec 2025
Posts: 1
Likes: 0
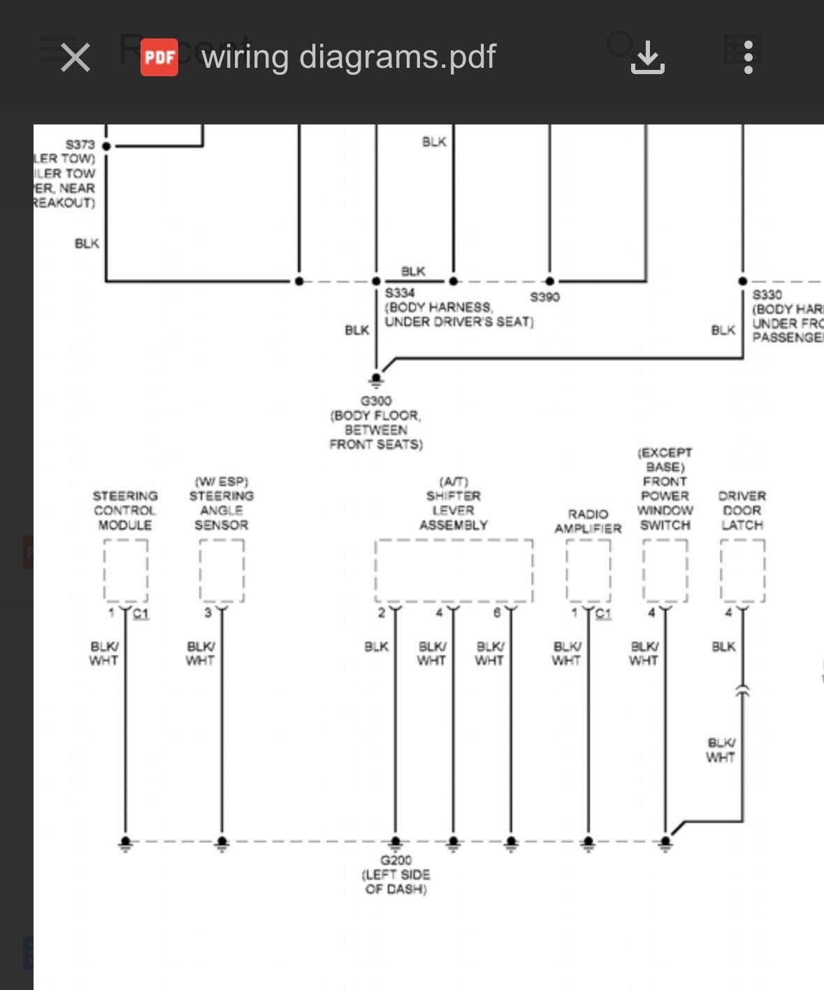
Default G200

Sorry to bring up an old thread but I’ve been trying to chase down a ground point of g200.

I’ve been googling for hours I know that g201 and g202 are passenger side. But where is g200? It’s not my jeep but a friend’s and I’m trying to keep tearing apart the JK to a minimum.


Reply
Old Jan 3, 2026 | 06:27 PM
  #29  
Shiminowind's Avatar
JK Newbie
 
Joined: Jan 2026
Posts: 2
Likes: 0
From: Springfield Oregon
Default

Originally Posted by TRexLifter
Sorry to bring up an old thread but I’ve been trying to chase down a ground point of g200.

I’ve been googling for hours I know that g201 and g202 are passenger side. But where is g200? It’s not my jeep but a friend’s and I’m trying to keep tearing apart the JK to a minimum.


If recollection serves me well, if you remove the clip in panel of the dash below the steering wheel and look up under the dash on the body to the left of the dash you should be able to see the g200 ground stud
Reply
Old Jan 4, 2026 | 02:48 PM
  #30  
Shiminowind's Avatar
JK Newbie
 
Joined: Jan 2026
Posts: 2
Likes: 0
From: Springfield Oregon
Default

Got a location for G300?
Reply



All times are GMT -8. The time now is 02:59 PM.