Retrofiting 2011 Design Changes
Originally Posted by rb0ynj
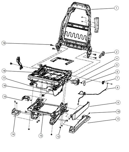
Any luck with this price and part number for the passenger seat hardware? I'm interested in this as well.
Ok, I admit that I was originally not too interested in this thread. BUT!
The center console with leather shifter really interests me. I have a switch panel right in front that the old plastic boot interferes with. I guess I need to look into changing it.
Next, that rear power outlet is pretty cool too! I was on the consumer focus group that recommended it! (They spent a LOT of time talking about whether or not we need a folding front windshield.)
I'm not sure why there is a focus on that rear cargo tray. Did it get deeper? Or does it just look better because it's finished off?
Did anyone snag pics of the full center console (front and back of it)? I'd like to check it out now and see what my options are!
The center console with leather shifter really interests me. I have a switch panel right in front that the old plastic boot interferes with. I guess I need to look into changing it.
Next, that rear power outlet is pretty cool too! I was on the consumer focus group that recommended it! (They spent a LOT of time talking about whether or not we need a folding front windshield.)
I'm not sure why there is a focus on that rear cargo tray. Did it get deeper? Or does it just look better because it's finished off?
Did anyone snag pics of the full center console (front and back of it)? I'd like to check it out now and see what my options are!
Originally Posted by Lui
Thanks matt, were you able to find the passenger seat? That's the one that tumbles forward a few more inches.
Found it here: http://jeepparts.mopar.com/jeep/wrangler-parts.html
Last edited by Matt08jk; Mar 2, 2011 at 05:58 PM.



